发布时间:2021-10-21 来源:消防设施操作员
消防设施操作员是从业者合法上岗的必备资格证,随着行业的规范化,持证上岗是必然趋势,每年都要很多新考生加入消防设施操作员考证大军,那么2022年消防设施操作员考试安排是怎样?每年考试题型和分值情况,新考生注意事项,今天就跟着小编一起来看看:2022年山东消防设施操作员考试具体方案,报名入口何时开通,希望对大家有帮助。
一、考试时间
2022全国消防设施操作员考试时间定了吗?2022年消防设施操作员考试可以恢复吗,那么2022年消防设施操作员考试时间是什么时候?消防设施操作员理论知识统考都在每年的3月、6月、9月、12月下旬进行,2022年考试报名时间通常为考前会有通知。

二、报名流程
网上报名:部分地区开通,考生可在规定时间内登录报名系统填写相关信息报名;
现场报名:分为集体申报和直接申报。集体申报:考生在培训学校报名后再由培训学校统一到鉴定站申报鉴定;直接申报:符合直接申报条件的考生按照要求到鉴定站直接申报鉴定。
材料准备:考生下载并填写相关表格,准备报名所需材料。
资格审查:鉴定站对考生报名材料进行资格审查。
考务费缴纳:资格审查合格的考生应根据当地的缴费方式缴纳相应报名费。
准考证打印:一般由消防培训机构、单位或个人在准考证打印时限内自行登陆当地消防考试网上报名系统,在信息核对无误后打印准考证。
三、考试科目
消防设施操作员(对应建(构)筑物消防员)
消防员(对应灭火救援员)
四、消防设施操作员的鉴定方式:
在鉴定考试中分实操鉴定考核和理论统考两科,根据报名情况确定考核时间;消防设施操作员理论统考时间为国家每年3月、6月、9月、12月四次考试,实操考试具体时间另行通知。
《理论知识》闭卷考试 60分合格(百分制)消防行业职业技能鉴定指导中心统一命题;
《技能操作》现场实操 60分合格(百分制)消防行业职业技能鉴定指导中心统一命题。
1、理论知识考试采用闭卷笔试、机考等考试方式,一共 200 道题,每题 0.5分,单项选择题 100 道,多项选择题 40 道,判断题 60 道。考试时间为100分钟,采取闭卷笔试;
2、技能操作考核主要采用现场操作、问答等考试方式。
成绩查询:消防设施操作员考试一般考后三周至一个半月左右出成绩,大部分地区考生可在当地消防协会网站或消防总队网上查询成绩。理论知识考试和技能操作考核均实行百分制,成绩皆达到60分及以上者为合格。
证书领取:考生通过考试后预计7个月至一年左右可以领证。初、中级消防设施操作员证书有效,不需要继续教育及年审,且消防设施操作员证书全国通用。
消防设施操作员证书职业方向:
1、消防安全检查
定期防火检查和每日防火巡查等工作。
2、消防控制室监控
设备状态记录与检查和处置火灾与故障报警等工作。
3、消防设施操作与维护
使用与维护灭火器材、火灾、消防等相关工作。
4、消防安全管理与培训
消防管理和消防培训等相关工作。

2020年12月8日应急管理部消防救援局在南京训练总队组织召开了消防行业职业技能鉴定工作部署会,会议的主要内容包括:升级改造现有鉴定设施,争取早日重启消防行业职业技能鉴定工作。
另外,人力资源社会保障部已发布2021年度人事考试计划安排,各大考试时间基本与2019年考试安排一致,所以推测,消防设施操作员考试计划,大概率是因为鉴定站在进行设备改造,设备升级之后将会公布消防设施操作员考试计划。
参照往年消防设施操作员考试计划,2021年第一季度中级消防设施操作员考试安排,预计是3月21日(星期日)。
我们还是能够了解一下理论机考和实操重点,提前准备,方能逢考必过!
1
理论机考要点梳理
1、理论考试形式由笔试转变为机考。
每人一台电脑(相当于驾照科一),每台电脑的题目随机抽取,各不相同,答题完成后当场显示分数(所以平时要多刷题哦)。
2、理论考试总分100分,60分及格。
分值分布(共100道题,每题1分,单项20题,多选20题,判断60题),考试时长共90分钟。
考试题型:多选题最难,多选没分,少选也没分,判断题最容易,题量也多,单选提高准确率,学员们今年能不能通过考试,全靠判断题啦!
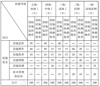
3、新标准分值占比如下(理论知识权重表):

2
实操考试要点分析
1、实操考试今年有比较大的改变,技能考核主要采用现场操作、模拟操作、实操理论口述相结合等方式进行,主要考核从业人员从事本职业应具备的技能水平。
2、综合评审主要针对技师和高级技师,通常采取审阅申报材料、答辩等方式进行全面评议和审查。(具体需等实行实操考试才能确定)
3、技能考核和综合评审均实行百分制,成绩皆达60分(含)以上者为合格。
职业标准中标注“★”的为涉及安全生产或操作的关键技能,如考生在技能考核中违反操作规程或未达到该技能要求的,则技能考核成绩为不合格。
带“★”的技能,一定要操作熟练,背熟,千万不能错!千万不能错!
4、技能考核在满足技能操作鉴定条件的场所进行。
鉴定场所应配备火灾自动报警系统、自动灭火系统、防烟排烟系统和其他消防设施器材等。上述鉴定场所应设置音频、视频实时监控设施,音频、视频资料应定期备份存档。
5、技能考核考评人员与考生配比为1:5,每个考位不少于2人,且为3人(含)以上单数,综合评审委员为5人(含)以上单数。
6、部分实操项目已经可以实现机考,控制室操作后直接打分,考试完成后当场显示分数。
7、新标准分值占比如下(理论知识权重表):

以上就是小编今天带来的全部内容,请大家仔细阅读。想了解更多考试相关资讯,敬请关注小编。